特點
海灣JTG-UM-GST9616點型紅外火焰探測器是一種復合紅外火焰探測器,它可以通過探測火焰在紅 外光區兩個波段的光信號來判斷火災。本探測器適用于探測含碳材料產生的明火燃燒,應用于火災 初期以火焰為主的大空間場所。
本探測器可通過總線與我公司生產的火災報警控制器通信傳遞信息,也可以通過繼電器觸點傳 遞信息。本探測器為隔爆型產品,既可以用于一般民用場所,也可以用于工業危險場所,如爆炸性 氣體環境的 1 區、2 區和可燃性粉塵場所的 21 區、22 區。
主要技術指標
(1) 工作電壓:總線 24V DC24V
(2) 工作電流:總線電流:監視電流≤1mA,報警電流≤1mA 電源電流:監視電流≤20mA,報警電流≤30mA (3) 觸點容量:DC25V/1A
(4) 探測器視場角≤90°
(5) 防爆標志:ExdIICT6/DIP A21 TA,T6
(6) 外殼防護等級:IP66
(7) 使用環境:溫度:-20℃~+55℃ 相對濕度≤95%,不結露
(8) 外形尺寸:166mm×235mm×199mm(帶調節架)
結構特征、安裝與布線
探測器外形圖如圖 1-76 所示:

安裝:
a) 探測器的底殼安裝。
b) 將調節架用四只?6 膨脹螺栓固定在墻壁上,應固定牢靠,定位后將螺栓擰緊。
c) 然后將探測器底板掛在調節架上。
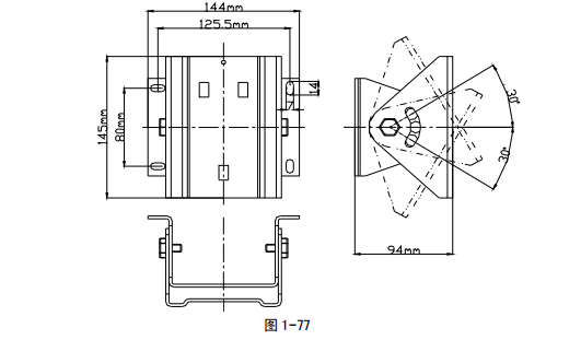
d) 用 M5 的螺釘將探測器固定在調節架上,調節架可沿軸心轉動 60°調節架示意圖如圖 1-77 所示:

注意:在不能直接使用調節架安裝探測器的場合,如探測器吊裝在鋼梁上,可以選配與 JTG-UM-GST9616 型紅外火焰探測器配套使用的安裝架,再將調節架固定在安裝架上。安裝架只適用于寬度為 180~220mm、底面厚度不大于 12mm 的鋼梁。探測器安裝后的探測方向與工字鋼走向 一致,如圖 1-78 所示。

探測器對外接線端子示意圖如圖 1-79 所示:

其中
Z1、Z2:來自控制器的通訊總線輸入端,無極性;
D1、D2:DC24V 電源輸入端,無極性;
AL1、AL2:火警觸點輸出,常開觸點,火警時閉合;
FT1、FT2:故障觸點輸出,常閉觸點,故障時斷開。
當 Z1、Z2 不與總線連接時,必須與 D1、D2 無極性連接。
布線要求:
a) 探測器的連接電纜應使用銅芯多股導線的耐火電纜,在 1 區和 2 區,線芯截面均應不小于 1.0mm2 ,電纜外徑為?8mm~?10mm,所用電纜還應符合使用環境的其它要求,如耐熱、耐腐蝕、防火 等。線路走向等應符合相應爆炸危險環境的要求。
電纜線路在爆炸危險環境中嚴禁有中間接頭,在 特殊情況下,電纜線必須安設中間接頭時,只允許在 2 區內采用相應的防爆接線盒加以保護,方可 進行中間連接。
? 采用總線輸出方式:無特殊要求時,可使用 RVVP4?1.0,外徑為?10 的屏蔽電纜,電纜屏蔽 層與探測器底殼上的保護地相連接;
? 采用觸點輸出方式:可使用外徑為?10 的屏蔽電纜,電纜屏蔽層與探測器底殼上的保護地相連接,接線具體規格應根據探測器的配套接口設備要求進行。
b) 將探測器的上蓋部分的排線插到底殼上的接口板的 XT3 上,然后將上蓋安裝到底殼上,上蓋 與底殼安裝時注意底殼上的定位銷要與上蓋上的 U 形槽對應。
c) 蓋上上蓋后擰緊上蓋上四根內六角螺釘。
d) 調節調節架,使探測器正對被保護區域,定位后將調節架兩側的鎖緊螺栓擰緊。


蘇公網安備32058102002318號
客服1