特點
海灣J-SAM-GSTN9311(Ex)手動火災報警按鈕(以下簡稱報警按鈕)安裝在公共場所,當人工確認 火災發生后按下報警按鈕上的按片,可向控制器發出火災報警信號,控制器接收到報警信號后,顯 示出報警按鈕的編碼信息并發出報警聲響。本報警按鈕防爆類型為本質安全型,符合 GB 3836.1-2010 《爆炸性環境 第 1 部分:設備 通用要求》和 GB 3836.4-2010《爆炸性環境 第 4 部分:由本質安 全型“i”保護的設備》的有關規定,并取得了 防爆產品檢驗機關頒發的產品防爆合格證書,同時 滿足國標 GB 19880-2005《手動火災報警按鈕》的有關規定,主要應用于石油及化工等易燃、易爆 場所。
本按鈕具有如下特點:
(1)采用拔插式結構設計,安裝簡單方便。
(2)按下報警按鈕按片,報警按鈕提供的獨立輸出觸點,可通過外接安全柵控制其它設備。 報警按鈕上的按片在按下后可用專用工具復位。
(3)用微處理器實現對消防設備的控制,用數字信號與控制器進行通信,工作穩定可靠,對電 磁干擾有良好的抑制能力。
(4)地址碼為電子編碼,可現場改寫。
主要技術指標
(1) 工作電壓: 信號總線電壓:24V 允許范圍:16V~28V
(2) 工作電流: 監視電流≤0.25mA 報警電流≤0.5mA
(3) 輸出容量:額定 DC30V/100mA 無源輸出觸點信號,接觸電阻≤100m?
(4) 啟動零件型式:可重復使用型
(5) 啟動方式:人工按下按片
(6) 復位方式:用專用鑰匙復位
(7) 指示燈:紅色,正常巡檢時約 3s 閃亮一次,報警后點亮
(8) 編碼方式:電子編碼,編碼范圍在 1~242 之間任意設定
(9) 線制:與控制器無極性二線制連接
(10) 使用環境: 類 型:戶內 溫 度:-10℃~+55℃ 相對濕度≤95%,不凝露
(11) 外形尺寸:95.4mm×98.4mm×45.5mm (帶底殼)
(12) 外殼防護等級:IP40
(13) 防爆標志:ExibⅡCT6 Gb
結構特征、安裝與布線
手動火災報警按鈕外形示意圖如圖 1-13 所示:

安裝時只需拔下報警按鈕,從底殼的進線孔中穿入電纜并接在相應端子上,再插好報警按鈕即 可安裝好報警按鈕,安裝孔距為 60mm。報警按鈕安裝采用進線管明裝和進線管暗裝兩種方式,安裝
示意圖如圖 1-14 所示。

本報警按鈕室外安裝、采用立柱安裝方式時,可選用 LZ10001 型防雨罩與 LZ1000 型立柱。 LZ10001 型防雨罩與 LZ1000 型立柱配套使用。LZ10001 型防雨罩防護等級 IP65,其外形示意圖如圖 1-15 所示。

LZ1000 型立柱的外形示意圖如圖 1-16 所示。

LZ10001 型防雨罩與 LZ1000 型立柱配套安裝示意圖如圖 1-17 所示。

本報警按鈕室外安裝、采用壁掛安裝時,可選用 LZ10002 型防雨罩,LZ10002 型防雨罩采用壁 掛式安裝,防護等級 IP65,其外型尺寸及安裝示意圖如圖 1-18 所示。

對外接線端子示意圖如圖 1-19:

端子說明: Z1、Z2:無極性信號二總線接線端子。 K1、K2:額定 DC30V/100mA 無源常開輸出端子。 電纜均選用截面積≥1.0mm2 的本安電纜,且電纜間分布電容不得大于 0.083μF,分布電感不得 大于 4.1mH。
應用方法
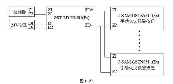
報警按鈕可安裝于危險區,通過 GST-LD-N8401(Ex)總線隔離式安全柵與安全區的火災報警控制 器連接,接線圖如圖 1-20 所示。



蘇公網安備32058102002318號
客服1